Les pompes Waterway sont vendues sans les câblages il vous faudra donc à réception récupérer votre ancien câble afin de brancher le nouveau moteur.
Le schéma de branchement se trouve dans le capot du moteur. Chaque pompe à son propre câblage, si vous avez besoin d'aide afin de réaliser le branchement il faudra nous envoyer par e-mail les éléments suivants :
1 - Une photo du schéma présent dans le capot moteur
2 - Une photo du câblage pour que nous puissions voir le coloris des câbles.
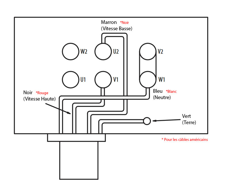
Ci-contre un exemple de branchement et surtout la correspondance au niveau des coloris.
Câbles 3 fils
| UK | USA | Fonction |
| Marron | Noir | Phase |
| Bleu | Blanc | Neutre |
| Vert / Jaune | Vert | Terre |
Câbles 4 fils
| UK | USA | Fonction |
| Marron | Noir | Phase 1 (vitesse basse) |
| Noir | Rouge | Phase 2 (vitesse haute) |
| Bleu | Blanc | Neutre |
| Vert / Jaune | Vert | Terre |
